R16 深溝玉軸受

製品

R16

R16 ベアリング

慈渓YDベアリング株式会社

製品詳細

グーグー 2RS 2RZ 2RS1

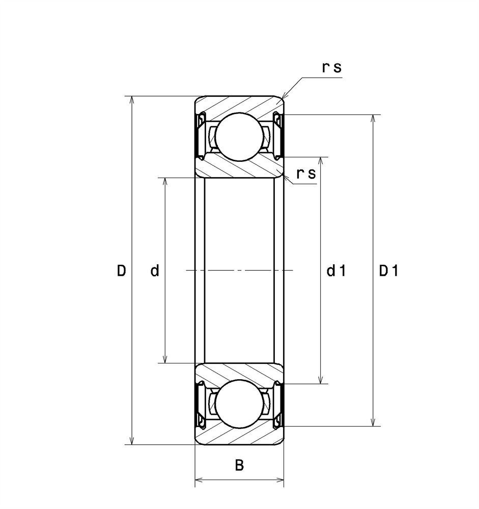
内径 (mm): 25.4
外径(mm): 50.8
ボールの列: 単一行
内部クリアランス: CN(標準)
スロットとスナップリング: いいえ
リング素材: クロム鋼
フランジ: いいえ
回転要素の材質: クロム鋼
密閉: グーグー
ケージの材質: 鋼板
フルコンプリメントボールセット: いいえ
製品重量: 0,002Kg

関連製品

慈渓YDベアリング株式会社

ニュースセンター

軌道輪の耐食性を高める表面処理技術

長年の開発を経て、 ベアリングリング 回転機械には欠かせないキーコンポーネントとなっており、その品質と性能は機械装置の寿命に直接影響します。しかし、過酷な使用環境では、ベアリング リングは腐食を受けやすくなり、耐用年数と性能が低下します。この...

表面処理技術で軌道輪の耐摩耗性を向上させる仕組み

回転機械の重要な部品である軌道輪の耐摩耗性は、軸受の安定した動作と寿命にとって非常に重要です。耐摩耗性を向上させるため、 ベアリングリング 、表面処理技術は広く使用されています。これらの技術は、表面硬度の向上、表面品質の改善、潤滑剤の導入によ...

熱処理プロセスは軌道輪の性能にどのような影響を与えますか

熱処理工程は製品の製造において重要な役割を果たします。 ベアリングリング 、軌道輪の硬度、強度、耐摩耗性、その他の性能に影響を与えます。 焼入れ工程 焼き入れは一般的な熱処理プロセスの 1 つであり、軌道輪の硬度と強度に影響を与えます。...

鍛造プロセスは軌道輪の性能にどのような影響を与えますか

鍛造プロセスは製品の製造において重要な役割を果たします。 ベアリングリング 、軌道輪の性能に影響します。 軌道輪の強度と硬度の向上 鍛造プロセスで製造された軌道輪は、加工中に強い押し出しと塑性変形を受けるため、金属内部の結晶粒が再配列さ...

軌道輪の表面処理の効果は何ですか

表面処理は重要な役割を果たします ベアリングリング 製造プロセスは、ベアリング リングの摩擦、摩耗、耐食性、および全体的な性能に直接影響します。 表面仕上げ: 表面仕上げとは、軌道輪表面の平坦度および平滑度を指します。...

材料の選択はベアリングリングにどのような影響を与えますか

材料の選択は、製品の設計と製造において重要な側面です。 ベアリングリング 。材料が異なれば特性も異なり、ベアリングリングの性能に直接影響します。 スチール(一般的な材質): 鋼は軌道輪の一般的な材料であり、優れた機械的...

相棒
相棒
相棒
相棒
相棒
相棒